Fixed type VS1-12
KCISE
VS1-12
| rated voltage: | |
|---|---|
| Rated current: | |
| Availability: | |
| Quantity: | |
VF1-12 indoor high voltage vacuum circuit breaker (hereinafter referred to as circuit breaker) is an indoor switchgear used in 12kV power system as a protection and control unit for power grid equipment and power equipment of industrial and mining enterprises. Due to the special advantages of vacuum circuit breaker, it is especially suitable for frequent operation requiring rated working current or places where short-circuit current is disconnected for many times.
The circuit breaker adopts the integrated design of operating mechanism and circuit breaker body, which can be used as either a fixed installation unit or a special propulsion mechanism to form a handcart unit. The fixed circuit breaker can add corresponding interlocking to meet the needs of XGN2, gg1a and other fixed cabinets.
VF1-12 / g sealed vacuum circuit breaker is an improved product based on the original VS1 indoor vacuum circuit breaker, which is optimized to realize the miniaturization, high reliability and maintenance free main circuit of the circuit breaker. It can operate frequently or break short-circuit current for many times within the working range. It is suitable for reclosing operation and has high reliability and service life.
Feature
◎ The solid insulation structure and integrated solid sealing pole are adopted to realize the maintenance free of the main circuit.
The mechanism is based on the mature VS1 mechanism and has high reliability.
◎ Vf1-12 / g fixed sealed vacuum interrupter pole directly seals the miniaturized ultra-low resistance vacuum interrupter and other parts of the main circuit in
◎ epoxy resin through advanced APG process, which not only simplifies the assembly process of the pole pole, prevents the loosening of the connecting bolts of the conductive circuit of the vacuum interrupter due to vibration during operation, and improves the reliability, Moreover, the outdoor surface of vacuum arc extinguishing is not affected by external mechanical force and external environment (such as dust, moisture, pollution, high altitude and small animals), which further improves the electric field step-by-step condition of pole column.
◎ The application of vf1-12 / g solid sealed vacuum circuit breaker to miniaturized ultra-low resistance vacuum interrupter fundamentally meets the requirements of high current circuit breaker for temperature rise and reduces power loss. Compact and simple structure, reasonable layout, modular design, high reliability and convenient maintenance.
Normal operating and installation conditions
◎ Ambient temperature: maximum temperature: + 40 ℃ minimum temperature: - 15 ℃
◎ Ambient humidity: daily average relative humidity: ≤ 95%, monthly average relative humidity: ≤ 90%, daily average vapor pressure:
≤ 2.2 × 10-3mpa monthly average vapor pressure: ≤ 1.8 × 10-3MPa
◎ Altitude: no more than 1000M
◎ The seismic intensity shall not exceed 8 degrees
◎ The place of use shall be free of dripping water, flammable and explosive hazards, chemical corrosive gases and violent vibration.
Structural features
◎ The circuit breaker is an integral structure, and the circuit breaker body is connected with the operating mechanism.
◎ The conductive circuit of the main part of the circuit breaker is arranged in an insulating cylinder made of insulating materials to protect the vacuum arc extinguishing chamber from external environment and mechanical damage.
◎ The mature spring operating mechanism has stable performance and reliable operation.
◎ It has reliable interlocking device, which can effectively prevent various misoperations.
VF1-12 indoor high voltage vacuum circuit breaker (hereinafter referred to as circuit breaker) is an indoor switchgear used in 12kV power system as a protection and control unit for power grid equipment and power equipment of industrial and mining enterprises. Due to the special advantages of vacuum circuit breaker, it is especially suitable for frequent operation requiring rated working current or places where short-circuit current is disconnected for many times.
The circuit breaker adopts the integrated design of operating mechanism and circuit breaker body, which can be used as either a fixed installation unit or a special propulsion mechanism to form a handcart unit. The fixed circuit breaker can add corresponding interlocking to meet the needs of XGN2, gg1a and other fixed cabinets.
VF1-12 / g sealed vacuum circuit breaker is an improved product based on the original VS1 indoor vacuum circuit breaker, which is optimized to realize the miniaturization, high reliability and maintenance free main circuit of the circuit breaker. It can operate frequently or break short-circuit current for many times within the working range. It is suitable for reclosing operation and has high reliability and service life.
Feature
◎ The solid insulation structure and integrated solid sealing pole are adopted to realize the maintenance free of the main circuit.
The mechanism is based on the mature VS1 mechanism and has high reliability.
◎ Vf1-12 / g fixed sealed vacuum interrupter pole directly seals the miniaturized ultra-low resistance vacuum interrupter and other parts of the main circuit in
◎ epoxy resin through advanced APG process, which not only simplifies the assembly process of the pole pole, prevents the loosening of the connecting bolts of the conductive circuit of the vacuum interrupter due to vibration during operation, and improves the reliability, Moreover, the outdoor surface of vacuum arc extinguishing is not affected by external mechanical force and external environment (such as dust, moisture, pollution, high altitude and small animals), which further improves the electric field step-by-step condition of pole column.
◎ The application of vf1-12 / g solid sealed vacuum circuit breaker to miniaturized ultra-low resistance vacuum interrupter fundamentally meets the requirements of high current circuit breaker for temperature rise and reduces power loss. Compact and simple structure, reasonable layout, modular design, high reliability and convenient maintenance.
Normal operating and installation conditions
◎ Ambient temperature: maximum temperature: + 40 ℃ minimum temperature: - 15 ℃
◎ Ambient humidity: daily average relative humidity: ≤ 95%, monthly average relative humidity: ≤ 90%, daily average vapor pressure:
≤ 2.2 × 10-3mpa monthly average vapor pressure: ≤ 1.8 × 10-3MPa
◎ Altitude: no more than 1000M
◎ The seismic intensity shall not exceed 8 degrees
◎ The place of use shall be free of dripping water, flammable and explosive hazards, chemical corrosive gases and violent vibration.
Structural features
◎ The circuit breaker is an integral structure, and the circuit breaker body is connected with the operating mechanism.
◎ The conductive circuit of the main part of the circuit breaker is arranged in an insulating cylinder made of insulating materials to protect the vacuum arc extinguishing chamber from external environment and mechanical damage.
◎ The mature spring operating mechanism has stable performance and reliable operation.
◎ It has reliable interlocking device, which can effectively prevent various misoperations.
Project | Company | Numerical value | ||
Rated voltage | kV | 12 | ||
Rated short-time power frequency withstand voltage (1min) | kV | 42 | ||
Rated lightning impulse withstand voltage (Peak) | kV | 75 | ||
Rated current | A | 630、 1250 | 630、1250、1600 | 1250、1600 |
Rated short-circuit breaking current
| kA | 20/25 | 31.5 | 40 |
Rated short-time withstand current | kA | 20/25 | 31.5 | 40 |
Rated short-circuit continuous current | S | 4 | ||
Rated peak withstand current | kA | 50/63 | 80 | 100 |
Rated short-circuit making current | kA | 50/63 | 80 | 100 |
Power frequency withstand voltage of secondary circuit (1min) | V | 2000 | ||
Rated breaking current of single / back-to-back capacitor bank | A | 630/400(40kA by 800/400) | ||
Rated capacitor bank closing inrush current | kA | 12.5 Frequency not greater than 1000Hz) | ||
Opening time (rated voltage) | ms | ≤ 50 | ||
Closing time (rated voltage) | ms | ≤ 100 | ||
Mechanical life | 次 second | 20000 | ||
Rated current breaking times (electrical life) | 次 second | 20000 | ||
Rated short circuit current breaking times | mm | 50(40kA ≤ 30) | ||
Allowable wear cumulative thickness of moving and stationary contacts | 3 | |||
Rated closing operating voltage | V | AC110/220 DC110/220 | ||
Rated opening operating voltage | V | AC110/220 DC110/220 | ||
Rated voltage of energy storage motor | V | AC110/220 DC110/220 | ||
Rated power of energy storage motor | W | 70 | ||
Energy storage time | S | ≤ 10 | ||
Contact opening distance | mm | 11±1 | ||
Overtravel | mm | 3.5±1 | ||
Contact closing bounce time | ms | ≤ 2(40kA ≤ 30) | ||
Asynchrony of three-phase opening and closing | ms | ≤ 2 | ||
Average opening speed (contact separation ~ 6mm) | m/s | 0.9~1.2 | ||
Average closing speed (contact closing~ 6mm) | m/s | 0.4~0.8 | ||
Main circuit resistance | μΩ | ≤ 60(630A) ≤ 55(1250A) ≤ 45(1600) | ||
Contact closing pressure | N | 2000±200(20kA);2400±200(25kA); 3100±200(31.5kA);4250±250(40kA); | ||
Rated operating sequence | Opening -0.3S-closing and opening-180S-closing and opening | |||
Project | Company | Numerical value | ||
Rated voltage | kV | 12 | ||
Rated short-time power frequency withstand voltage (1min) | kV | 42 | ||
Rated lightning impulse withstand voltage (Peak) | kV | 75 | ||
Rated current | A | 630、 1250 | 630、1250、1600 | 1250、1600 |
Rated short-circuit breaking current
| kA | 20/25 | 31.5 | 40 |
Rated short-time withstand current | kA | 20/25 | 31.5 | 40 |
Rated short-circuit continuous current | S | 4 | ||
Rated peak withstand current | kA | 50/63 | 80 | 100 |
Rated short-circuit making current | kA | 50/63 | 80 | 100 |
Power frequency withstand voltage of secondary circuit (1min) | V | 2000 | ||
Rated breaking current of single / back-to-back capacitor bank | A | 630/400(40kA by 800/400) | ||
Rated capacitor bank closing inrush current | kA | 12.5 Frequency not greater than 1000Hz) | ||
Opening time (rated voltage) | ms | ≤ 50 | ||
Closing time (rated voltage) | ms | ≤ 100 | ||
Mechanical life | 次 second | 20000 | ||
Rated current breaking times (electrical life) | 次 second | 20000 | ||
Rated short circuit current breaking times | mm | 50(40kA ≤ 30) | ||
Allowable wear cumulative thickness of moving and stationary contacts | 3 | |||
Rated closing operating voltage | V | AC110/220 DC110/220 | ||
Rated opening operating voltage | V | AC110/220 DC110/220 | ||
Rated voltage of energy storage motor | V | AC110/220 DC110/220 | ||
Rated power of energy storage motor | W | 70 | ||
Energy storage time | S | ≤ 10 | ||
Contact opening distance | mm | 11±1 | ||
Overtravel | mm | 3.5±1 | ||
Contact closing bounce time | ms | ≤ 2(40kA ≤ 30) | ||
Asynchrony of three-phase opening and closing | ms | ≤ 2 | ||
Average opening speed (contact separation ~ 6mm) | m/s | 0.9~1.2 | ||
Average closing speed (contact closing~ 6mm) | m/s | 0.4~0.8 | ||
Main circuit resistance | μΩ | ≤ 60(630A) ≤ 55(1250A) ≤ 45(1600) | ||
Contact closing pressure | N | 2000±200(20kA);2400±200(25kA); 3100±200(31.5kA);4250±250(40kA); | ||
Rated operating sequence | Opening -0.3S-closing and opening-180S-closing and opening | |||
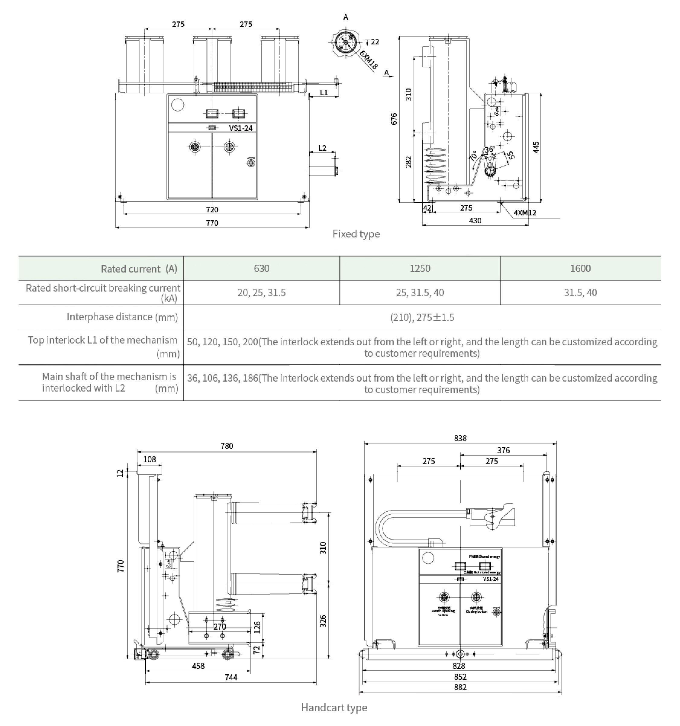
The outline and installation dimensions of ordinary type and fixed sealed vacuum circuit breaker are the same 手车式 Handcart type VF1(800)

Rated current | 630 | 1250 | 1600 |
Rated short-circuit breaking current | 20、25、31.5 | 20、25、31.5、40 | 31.5 |
Mating static contact size | Ø35 | Ø49 | Ø55 |
The primary phase to phase distance is 210mm, and the cabinet width is 800mm.
The outline and installation dimensions of ordinary type and fixed sealed vacuum circuit breaker are the same 手车式 Handcart type VF1(800)

Rated current | 630 | 1250 | 1600 |
Rated short-circuit breaking current | 20、25、31.5 | 20、25、31.5、40 | 31.5 |
Mating static contact size | Ø35 | Ø49 | Ø55 |
The primary phase to phase distance is 210mm, and the cabinet width is 800mm.
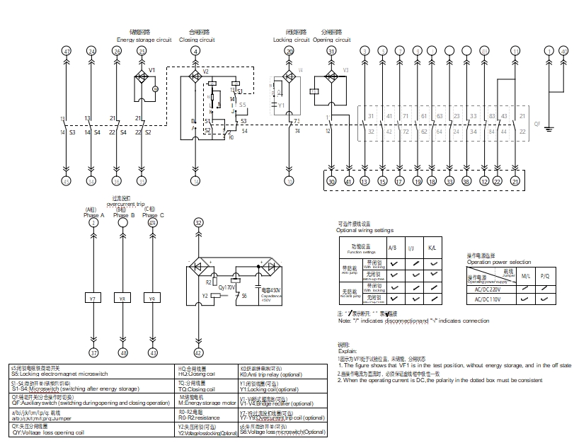
lectrical princip le and wiring diagram (fixed type


To configure
◎ Secondary control voltage: DC220v, AC220V, DC110v, AC110V
◎ Optional configuration of secondary control:
(1) Locking device: function - to prevent closing when the secondary control power supply is not connected or lower than the technical requirements.
(2) Transition device: function - when the primary circuit is overloaded or short circuited, the overcurrent coil is electrically operated through the overcurrent relay to open the circuit breaker. Generally, three phases are added on phase A and C, and there are two kinds of overcurrent tripping: 3.5A and 5A.
(3) Undervoltage and loss of voltage release device: function - the undervoltage release is opened at the circuit breaker when the intermediate Pt voltage is less than 35% VN, and the circuit breaker can be fully opened reliably when the intermediate voltage is ≥ 85% VN; The voltage loss release cannot be fully opened when the intermediate Pt voltage is less than 35% VN, and the circuit breaker shall not be opened when the intermediate Pt voltage is ≥ 65% VN.
◎ Grounding device:
According to the width of circuit breaker distribution cabinet, it can be divided into 650 wide grounding scheme, 800 wide grounding scheme and 1000 wide grounding scheme.
◎ Electrical parameters of secondary components
Operating voltage 220V
Closing electromagnet | Opening electromagnet | Locking electromagnet | |
Loop current | 1.0A/1.7A | 0.9A/1.7A | 20mA |
Power | 220/375 | 198/375 | 4.8 |
Operating voltage 110V
Closing electromagnet | Opening electromagnet | Locking electromagnet | |
Loop current | 2.0A/3.34A | 0.8A/3.34A | 2/mA/40mA |
Power | 220/368 | 198/368 | 2.7/4.8 |
lectrical princip le and wiring diagram (fixed type


To configure
◎ Secondary control voltage: DC220v, AC220V, DC110v, AC110V
◎ Optional configuration of secondary control:
(1) Locking device: function - to prevent closing when the secondary control power supply is not connected or lower than the technical requirements.
(2) Transition device: function - when the primary circuit is overloaded or short circuited, the overcurrent coil is electrically operated through the overcurrent relay to open the circuit breaker. Generally, three phases are added on phase A and C, and there are two kinds of overcurrent tripping: 3.5A and 5A.
(3) Undervoltage and loss of voltage release device: function - the undervoltage release is opened at the circuit breaker when the intermediate Pt voltage is less than 35% VN, and the circuit breaker can be fully opened reliably when the intermediate voltage is ≥ 85% VN; The voltage loss release cannot be fully opened when the intermediate Pt voltage is less than 35% VN, and the circuit breaker shall not be opened when the intermediate Pt voltage is ≥ 65% VN.
◎ Grounding device:
According to the width of circuit breaker distribution cabinet, it can be divided into 650 wide grounding scheme, 800 wide grounding scheme and 1000 wide grounding scheme.
◎ Electrical parameters of secondary components
Operating voltage 220V
Closing electromagnet | Opening electromagnet | Locking electromagnet | |
Loop current | 1.0A/1.7A | 0.9A/1.7A | 20mA |
Power | 220/375 | 198/375 | 4.8 |
Operating voltage 110V
Closing electromagnet | Opening electromagnet | Locking electromagnet | |
Loop current | 2.0A/3.34A | 0.8A/3.34A | 2/mA/40mA |
Power | 220/368 | 198/368 | 2.7/4.8 |